Product Summary
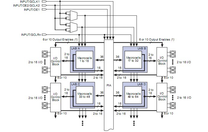
The EPM3128ATC100-10 is a programmable logic device. It is a low-cost, high-performance device based on the altera MAX architecture.
Parametrics
EPM3128ATC100-10 absolute maximum ratings: (1)VCC, supply voltage: 4.6V; (2)VI, DC input voltage: 5.75V; (3)IOUT, DC output current: 25mA; (4)TSTG, Storage temperature: -65 to 150℃; (5)TA, ambient temperature: -65 to 135℃; (6)TJ, Junction temperature: 135℃.
Features
EPM3128ATC100-10 features: (1)High–performance, low–cost CMOS EEPROM–based programmable logic devices (PLDs) built on a MAX architecture; (2)3.3-V in-system programmability (ISP) through the built–in IEEE Std. 1149.1 Joint Test Action Group (JTAG) interface with advanced pin-locking capability; (3)Built–in boundary-scan test (BST) circuitry compliant with IEEE Std. 1149.1-1990.
Diagrams

| Image | Part No | Mfg | Description | ![]() |
Pricing (USD) |
Quantity | ||||||
|---|---|---|---|---|---|---|---|---|---|---|---|---|
![]() |
![]() EPM3128ATC100-10 |
![]() |
![]() IC MAX 3000A CPLD 128 100-TQFP |
![]() Data Sheet |
![]()
|
|
||||||
![]() |
![]() EPM3128ATC100-10N |
![]() |
![]() IC MAX 3000A CPLD 128 100-TQFP |
![]() Data Sheet |
![]()
|
|
||||||
(Hong Kong)









