Product Summary
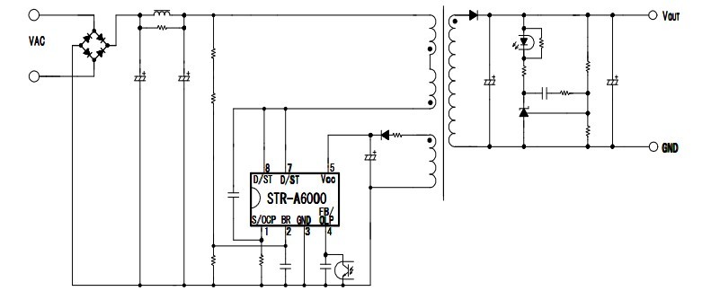
The A6069H is a power IC for PWM type switching power supply with low noise and low standby power. It is power IC for switching power supplies, incorporating a power MOSFET and a current-mode type PWM controller IC.
Parametrics
A6069H absolute maximum ratings: (1)operation frequency: 100kHz; (2)MOSFET VDSS MIN: 700V; (3)RDS(ON): 6Ω; (4)POUT: 10W.
Features
A6069H features: (1)Current-Mode Type PWM Control; (2)Built-in Random Switching Function. The function reduces the EMI noise and enables a simplified (low-cost) EMI filter, by the slight- random-change of PMW frequency fOSC; (3)Auto-Standby Function: The burst-oscillation enables the low standby power. Input Power PIN < 25mW at no load; (4)Built-in Startup Circuit, enabling low power consumption; (5)Brown-In / Brown-Out Function.
Diagrams

![]() |
![]() A606 |
![]() Flambeau |
![]() Enclosures, Boxes, & Cases 11x6-3/4x1-3/4 (2.266cf)6 Cmprtmnts |
![]() Data Sheet |
![]()
|
|
||||||||||||
![]() |
![]() A60615 |
![]() TE Connectivity |
![]() General Purpose / Industrial Relays 0300-R RELAY |
![]() Data Sheet |
![]()
|
|
||||||||||||
![]() |
![]() A606D |
![]() Flambeau |
![]() Enclosures, Boxes, & Cases 11x6-3/4x2-1/2 (3.026cf)6 Cmprtmnts |
![]() Data Sheet |
![]()
|
|
||||||||||||
(Hong Kong)








